Electronic lock using pic microcontroller

Electronic lock using pic microcontrollers-min

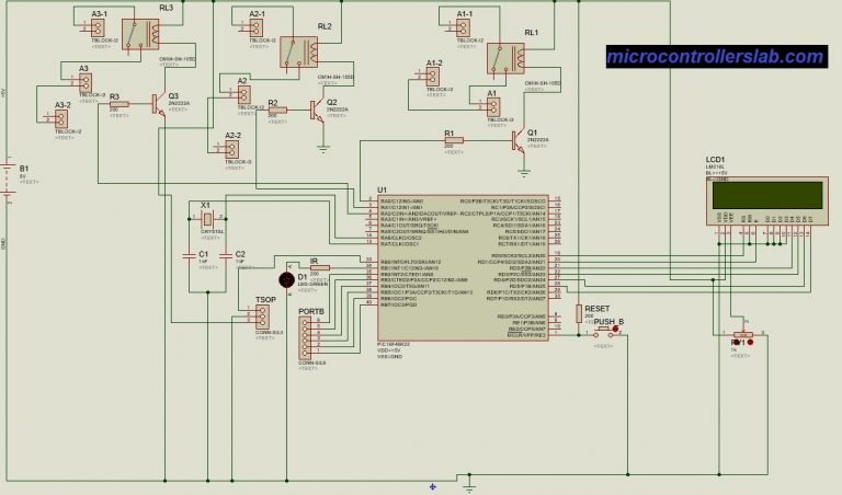
Electronic lock using pic microcontroller and keypad. In this article, you will learn how to design electronic lock using pic16f877a microcontroller based embedded system? What are its applications? How to …

Read more